Телефон:
+7 (495) 789 78 80
Email:
msk@naidy.com
Часы работы:
Профиль и фурнитура

Алюминиевые профили для мебельных фасадов

Рамочный профиль для изготовления фасадов для мебели является неотъемлемым элементом в современных мебельных решениях. Использование фасадов со стеклом позволяет дизайнерам изменить восприятия объема помещения, расставить акценты и добавить изысканности.

Для изготовления фасада на основе алюминиевого профиля необходимы следующие комплектующие: профиль, сборочный уголок, уплотнитель. Такие фасады практически не имеют ограничений по типам открывания и могут быть распашными, откидными вниз или с открыванием вверх. Зависит от типа выбранного механизма.

Рамочный профиль для изготовления фасадов для мебели является неотъемлемым элементом в современных мебельных решениях. Использование фасадов со стеклом позволяет дизайнерам изменить восприятия объема помещения, расставить акценты и добавить изысканности.

Для изготовления фасада на основе алюминиевого профиля необходимы следующие комплектующие: профиль, сборочный уголок, уплотнитель. Такие фасады практически не имеют ограничений по типам открывания и могут быть распашными, откидными вниз или с открыванием вверх. Зависит от типа выбранного механизма.

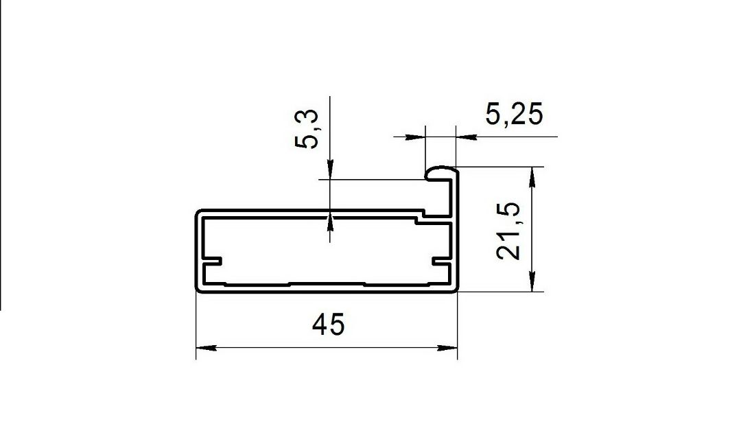
Широкий алюминиевый профиль

Широкий алюминиевый профиль имеет основание 45 мм, что позволяет устанавливать фасады на стандартные 4-х шарнирные петли с диаметром присадки 35 мм.

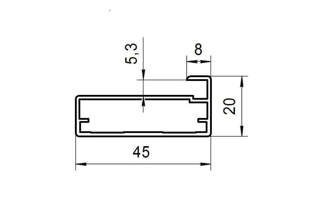
Узкий алюминиевый профиль

Узкий алюминиевый профиль. Ширина основания профиля 20 мм, что позволяет сделать линию фасаду уже, но требует использование специальных петель, и специальной присадки для этих петель.

Доступные цвета фасадного профиля

Белый муар
черный муар
Белый матовый
Черный матовый

Рамочный профиль и комплектующие 

Цены носят информационный характер и не являются публичной офертой. Индивидуальное предложение предоставляется сотруднками компании.

Узкий рамочный профиль для фасадов

Узкий рамочный профиль NF20

2916 руб

Длина: 5,4 м

Материал: Алюминий

Цвет: Белый муар, Черный муар

Уголок сборочный для узкого профиля

Уголок сборочный для узкого профиля

110 руб

Комплект: 4 шт

Материал: Сталь

Цвет: Серый

Широкий профиль для фасадов НАЙДИ

Фасадный профиль NF02

4488 руб

Длина: 5,4 м

Материал: Алюминий

Цвет: Белый муар, Черный муар

Широкий профиль для фасадов НАЙДИ

Фасадный профиль NF01

4812 руб

Длина: 5,4 м

Материал: Алюминий

Цвет: Белый муар, Черный муар

Уголок сборочный для широкого профиля

Уголок сборочный для широкого профиля

82 руб

Комплект: 2 шт

Материал: Металл

Цвет: Серый

Уплотнитель для фасадного профиля

Уплотнитель для фасадного профиля

51 руб/м.пог
Бухта: 200 м.пог

Материал: Селикон

Цвет: Полупрозрачный
МЕТОД-ИНТЕРЬЕР

Узкий рамочный профиль для фасадов

Узкие профили это специально разработанная форма призванная сделать рамку вокруг стекла как можно уже, что полностью соответствует современным трендам.

НАЙДИ ТМ

МЕТОД-ИНТЕРЬЕР

Угловое соединение

МЫ протестировали множество уголков и выбрали, те что обеспечивают наиболее точное и плотное прилегание элементов фасада. Уголок или коннектор устанавливаются внутри профиля и невидимы для потребителя.

НАЙДИ ТМ

МЕТОД-ИНТЕРЬЕР

Присадка для петли

Для узкого фасадного профиля не подходят стандартные петли. Для таких петель используются петли для узкого профиля (УРП). Установка петель требуется специальной фрезеровки.

НАЙДИ ТМ

CRM-форма появится здесь

Другие товары

Почему мы лучшие?

Быстрая доставка

Точно и вовремя. Собственный склад и отлаженная логистика позволяют нам оперативно доставлять товары нашим клиентам и партнерам.

Действительно большой выбор

В нашей складской весь спектр продукции "НАЙДИ", что позволяет нашим клиентам оперативно получать заказанный товар и формирует высокий уровень сервиса.

гарантия качества

Мы осуществляем дополнительную проверку перед отгрузкой, что гарантирует поставку исключительно товаров высокого качества.

удобный салон-магазин

У нас можно познакомиться с ассортиментом компании, изучить характеристики и особенности применения. Опытные специалисты окажут необходимую техническую и информационную поддержку. 

БЫСТРАЯ ДОСТАВКА

Точно и вовремя. Собственный склад и отлаженная логистика позволяют нам оперативно доставлять товары нашим клиентам и партнерам

ГАРАНТИЯ КАЧЕСТВА

Мы осуществляем дополнительную проверку перед отгрузкой, что гарантирует поставку исключительно товаров высокого качества.

БОЛЬШОЙ ВЫБОР

В нашей складской весь спектр продукции "НАЙДИ", что позволяет нашим клиентам оперативно получать заказанный товар и формирует высокий уровень сервиса.

САЛОН

У нас можно познакомиться с ассортиментом компании, изучить характеристики и особенности применения. Опытные специалисты окажут необходимую техническую и информационную поддержку.

Только довольные клиенты

Ищи нас в социальных сетях

Скорее к нам

Адрес:
Часы работы:
ПН-пт: 10:00-18:00
Телефон:
+7 (495)789-78-80
Email:
msk@naidy.com
Cookie-файлы
Настройка cookie-файлов
Детальная информация о целях обработки данных и поставщиках, которые мы используем на наших сайтах
Аналитические Cookie-файлы Отключить все
Технические Cookie-файлы
Другие Cookie-файлы
Мы используем файлы Cookie для улучшения работы, персонализации и повышения удобства пользования нашим сайтом. Продолжая посещать сайт, вы соглашаетесь на использование нами файлов Cookie. Подробнее о нашей политике в отношении Cookie.
Понятно Подробнее
Cookies